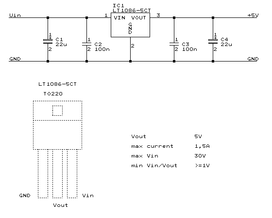
Low-Drop-Spannungsregler


Funkfernsteuerungen arbeiten mit einer Versorgungsspannung von 4,8 bis 5 Volt. Diese werden im Normalfall durch vier Akkus geliefert. Entsprechend müssen auch die angeschlossenen Schaltungen (Servo-Motor, Schaltkanal) mit dieser Betriebsspannung arbeiten. Es gibt auch Empfänger mit einem internen Spannungsregler (BEC-System), die auch mit höheren Spannungen arbeiten darf. Die angeschlossenen Schaltungen arbeiten dabei trotzdem mit etwa 4.8Volt. Die Versorgungsspannung für die Fernsteuerung kann aus einer höheren Batteriespannung auch durch separate Spannungsregler erzeugt werden. Ist der Unterschied zwischen Batteriespannung und Versorgungsspannung gering, so muß ein Low-Drop-Spannungsregler verwendet werden.

9610-02.gif



[ Index ] [ Inhalt ] [ Seitenanfang ]

©2015 Harald Prinzler